Отправить запрос сейчас
Характеристики продукта:
Прецизионная структура зубьев обеспечивает плотное зацепление ремня и шкива, эффективно предотвращая проскальзывание и перекос.
Точное передаточное отношение делает его пригодным для легкого конвейерного оборудования, требующего высокой точности позиционирования.
Шаг зубьев и технические характеристики соответствуют международным стандартам (MXL, XL, L, H и т. д.), что обеспечивает легкую замену и взаимозаменяемость.
Эффективность передачи превышает 98% при минимальных потерях мощности.
Плавное включение, низкий уровень вибрации и шума во время работы делают его идеальным для помещений, чувствительных к шуму, таких как офисы и предприятия по производству продуктов питания.
Конструкция с низким коэффициентом трения снижает износ ремня и шкивов и продлевает срок службы.
Доступны различные монтажные интерфейсы, включая стандартные отверстия, шпоночные пазы, установочные винты и компенсационные втулки.
Компактная конструкция облегчает интеграцию в конвейерные системы, экономя пространство для оборудования.
Замена выполняется легко и без необходимости обширной разборки оборудования.
Обеспечьте надежную передачу мощности с различными шагами (MXL 2,032 мм, XL 5,08 мм, L 9,525 мм), разработанную для передачи умеренного крутящего момента, лёгкой транспортировки и высокоскоростных применений. Прецизионная конфигурация MXL отвечает требованиям высокоскоростного привода в компактном оборудовании; универсальный профиль XL подходит для различных высокоскоростных условий; а прочная конструкция серии L сочетает в себе повышенную структурную целостность и превосходную устойчивость к линейным скоростям. Эти шкивы представляют собой оптимальное решение для автоматизированных линий, компактного оборудования и систем обработки материалов.
Шкив ГРМ MXL
| Тип | Материал | Обработка поверхности | ||||
| Ширина ремня: 4,8 мм (3/16 дюйма) | Ширина ремня: 6,4 мм (1/4 дюйма) | Ширина ремня: 9,5 мм (3/8 дюйма) | Ширина ремня: 12,7 мм (1/2 дюйма) | Шкив | Фланец | |
| А:6 Ш:10 Д:16.5 | A:7.5 W:11.5 L:18 | А:11 Ш: 15 Д: 22 | А:14 Ш:1 9 Д:25 | |||
| AW**MXL019 | AW**MXL025 | AW**MXL037 | AW**MXL050 | 6061 | 6061 | Натуральное анодирование | 
| AB**MXL019 | AB**MXL025 | AB**MXL037 | AB**MXL050 | Черное анодирование | ||
| AH**MXL019 | AH**MXL025 | AH**MXL037 | AH**MXL050 | Твердое анодирование | ||
| AN**MXL019 | AN**MXL025 | AN**MXL037 | AN**MXL050 | Никелирование | ||
| - | SF**MXL025 | SF**MXL037 | - | S45C | S45C | Черное оксидное покрытие | 
| - | SN**MXL025 | SN**MXL037 | - | Никелирование | ||
| - | SU**MXL025 | SU**MXL037 | - | SUS303 | - | |
Шкив ГРМ XL
| Тип | Материал | Обработка поверхности | ||||
| Ширина ремня: 6,4 мм (1/4 дюйма) | Ширина ремня: 7,9 мм (5/16 дюйма) | Ширина ремня: 9,5 мм (3/8 дюйма) | Ширина ремня: 12,7 мм (1/2 дюйма) | Шкив | Фланец | |
| А:7,5 Ш:12,5 Д:21 | А:9 Ш:14 Д:23 | А:11 Ш:16 Д:25 | А:14 Ш:19 Д:28 | |||
| AW**XL025 | AW**XL031 | AW**XL037 | AW**XL050 | 6061 | 6061 | Натуральное анодирование | 
| AB**XL025 | AB**XL031 | AB**XL037 | AB**XL050 | Черное анодирование | ||
| AH**XL025 | AH**XL031 | AH**XL037 | AH**XL050 | Твердое анодирование | ||
| AN**XL025 | AN**XL031 | AN**XL037 | AN**XL050 | Никелирование | ||
| SF**XL025 | - | SF**XL037 | SF**XL050 | S45C | SPCC | Черное оксидное покрытие | 
| SN**XL025 | - | SN**XL037 | SN**XL050 | Никелирование | ||
| SU**XL025 | - | SU**XL037 | СУ**XL050 | SUS303 | - | |
Шкив ГРМ L
| Тип | Материал | Обработка поверхности | ||||
| Ширина ремня: 12,7 мм (1/2 дюйма) | Ширина ремня: 19,1 мм (3/4 дюйма) | Ширина ремня: 25,4 мм (1 дюйм) | Ширина ремня: 38,1 мм (1,5 дюйма) | Шкив | Фланец | |
| А:14 Ш:19 Д:31(39) | А:21 Ш:26 Д:38(46) | А:27 Ш:32 Д:44(53) | А:40 Ш:45 Д:57 | |||
| AW**L050 | AW**L075 | AW**L100 | AW**L150 | 6061 | 6061 | Натуральное анодирование | 
| АБ**Л050 | АБ**Л075 | АБ**Л100 | АБ**Л150 | Черное анодирование | ||
| AH**L050 | АХ**Л075 | AH**L100 | AH**L150 | Твердое анодирование | ||
| АН**Л050 | АН**Л075 | АН**Л100 | АН**Л150 | Никелирование | ||
| СФ**Л050 | СФ**Л075 | СФ**Л100 | СФ**Л150 | S45C | SPCC | Черное оксидное покрытие | 
| SN**L050 | SN**L075 | SN**L100 | SN**L150 | Никелирование | ||
Шкив ГРМ H
| Тип | Материал | Обработка поверхности | ||||
| Ширина ремня: 19,1 мм (3/4 дюйма) | Ширина ремня: 25,4 мм (1 дюйм) | Ширина ремня: 38,1 мм (1,5 дюйма) | Ширина ремня: 50,8 мм (2 дюйма) | Шкив | Фланец | |
| А:21 Ш:26 Д:41 | А:27 Ш:32 Д:47 | А:40 Ш:45 Д:60 | А:54 Ш:59 Д:74 | |||
| AW**H075 | AW**H100 | AW**H150 | AW**H200 | 6061 | 6061 | Натуральное анодирование | 
| АБ**Х075 | АБ**Х100 | АБ**Н150 | АБ**Н200 | Черное анодирование | ||
| AH**H075 | AH**H100 | AH**H150 | AH**H200 | Твердое анодирование | ||
| AN**H075 | АН**Х100 | АН**Х150 | AN**H200 | Никелирование | ||
| СФ**Х075 | SF**H100 | SF**H150 | SF**H200 | S45C | SPCC | Черное оксидное покрытие | 
| SN**H075 | SN**H100 | SN**H150 | SN**H200 | Никелирование | ||
Шкив ГРМ MXL

Шкив ГРМ XL

Шкив ГРМ L

Шкив ГРМ H

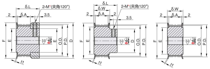
Профиль зуба ① Профиль шкива
Тип К Тип Б Тип А
           
Число после △: Количество зубов: 23 или меньше
Размеры пазов могут незначительно варьироваться в зависимости от количества зубьев. Шаг зубьев (2,032 мм)
Для спецификаций отверстий вала H (круглое отверстие), V, F (ступенчатое отверстие) и Y (ступенчатое отверстие на обоих концах) резьбовые отверстия отсутствуют.
Внутренняя поверхность отверстия вала может не иметь обработки.
* Для шкивов с отверстиями типа A и валами P или N два резьбовых отверстия расположены примерно под углом 120° или 90° от центра канавки зуба.
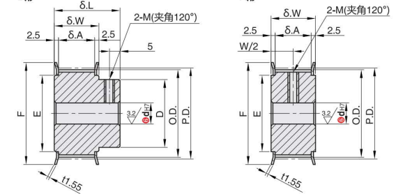
Профиль зуба ① Профиль шкива
Тип B Тип A
                            
Размеры канавки зубьев незначительно варьируются в зависимости от количества зубьев. Шаг зубьев (5,08 мм)
Для спецификаций отверстий вала H (круглое отверстие), V, F (ступенчатое отверстие) и Y (ступенчатое отверстие на обоих концах) резьбовые отверстия отсутствуют.
Внутренняя поверхность отверстия вала может не иметь обработки.
Размер H: L50 = 5; L075 = 8; L100 = 11
* Для шкивов с отверстиями типа A и валами P или N два резьбовых отверстия расположены примерно под углом 120° или 90° от центра канавки зуба.
Профиль зуба ① Профиль шкива
         
         
Размеры канавки зубьев незначительно варьируются в зависимости от количества зубьев. Шаг зубьев (9,525 мм)
Для 60 или 72 зубьев t = 2 (срезанные ребра).
Для спецификаций отверстий вала H (круглое отверстие), V, F (ступенчатое отверстие) и Y (ступенчатое отверстие на обоих концах) резьбовые отверстия отсутствуют.
Внутренняя поверхность отверстия вала может не иметь обработки.
Размер H: L50 = 5; L075-8; L100 = 11
Размеры L (в скобках) указаны для 60–72 зубцов.
* Для шкивов с конфигурацией типа А и отверстиями вала типа P или N два резьбовых отверстия расположены примерно под углом 120° или 90° от центра канавки зуба.
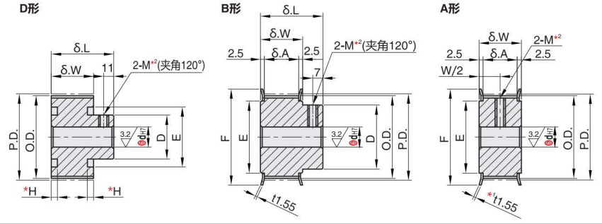
Профиль зуба ① Профиль шкива
                                      
Число после △: Количество зубов: 19 или меньше.
Размеры пазов могут незначительно отличаться в зависимости от количества зубьев. Шаг зубьев (12,7 мм).
Для 38-50 зубьев t = 2 (срезанные ребра).
Для спецификаций отверстий вала H (круглое отверстие), V, F (ступенчатое отверстие) и Y (ступенчатое отверстие на обоих концах) резьбовые отверстия отсутствуют.
Внутренняя поверхность отверстия вала может не иметь обработки.
Размер H: H100 = 11; H150 = 14
* Для шкивов с типом A и отверстиями для вала P или N два резьбовых отверстия расположены примерно под углом 120° или 90° от центра канавки.