Отправить запрос сейчас
Характеристики продукта:
Высокопрочные материалы: синхронные шкивы для мощных трансмиссий обычно изготавливаются из высокопрочных, износостойких материалов, таких как легированная сталь и алюминиевый сплав, чтобы обеспечить стабильность и долговечность при высоких нагрузках и высоких скоростях.
Точное производство: процесс производства соответствует строгим стандартам высокой точности, гарантируя точность таких ключевых параметров, как профиль зуба шкива и шаг, тем самым повышая точность и стабильность передачи.
Разнообразные конструкции: для удовлетворения потребностей различных промышленных применений синхронные шкивы для тяжелых условий эксплуатации предлагаются в различных вариантах конструкции, включая различные профили зубьев, шаги, диаметры шкивов и ширину.
Эффективная передача: синхронные шкивы используют зубчатый механизм, что обеспечивает эффективную и стабильную передачу мощности при использовании с зубчатым ремнем. Их механический КПД обычно высок, достигая 0,98 и выше.
Точное передаточное отношение: благодаря зубчатому зацеплению между зубчатым ремнем и шкивом, синхронные шкивы для мощных трансмиссий могут обеспечивать точное передаточное отношение, что имеет решающее значение для применений, требующих точного управления скоростью и крутящим моментом.
Нескользящая трансмиссия: Система синхронной ременной передачи имеет свойство нескользящей, что означает, что в процессе передачи не будет возникать дополнительного тепла и износа, тем самым продлевая срок службы трансмиссионной системы.
Усиленные трапециевидные шкивы серии AT: усовершенствованная версия технологии серии T с усиленной геометрией зубьев и улучшенными материалами для обеспечения проверенной надежности в суровых условиях эксплуатации. Разработаны специально для высоконагруженных систем передачи мощности и промышленного применения с высоким крутящим моментом.
Шкив ГРМ AT5/AT10
| Тип | Материал | Обработка поверхности | |||||
| АТ5 | АТ10 | Шкив | Фланец | ||||
| Ширина ремня: 10 мм | Ширина ремня: 15 мм | Ширина ремня: 15 мм | Ширина ремня: 20 мм | Ширина ремня: 25 мм | |||
| A:11.6 W:16.5 L:25(27/29) | А:16.6 Ш: 21.5 Д: 30(32/34) | A:16.5 W:22.5 L:38(40) | A:21.5 W:27.5 L:43(45) | A:26.5 W:32.5 L:48(50) | |||
| AW**AT5100 | AW**AT5150 | AW**AT10150 | AW**AT10200 | AW**AT10250 | 6061 | 6061 | Натуральное анодирование |
| АБ**АТ5100 | АБ**АТ5150 | АБ**АТ10150 | АБ**АТ10200 | АБ**АТ10250 | Черное анодирование | ||
| AH**AT5100 | AH**AT5150 | AH**AT10150 | AH**AT10200 | AH**AT10250 | Твердое анодирование | ||
| AN**AT5100 | AN**AT5150 | AN**AT10150 | AN**AT10200 | AN**AT10250 | Никелирование | ||
| SF**AT5100 | SF**AT5150 | SF**AT10150 | SF**AT10200 | SF**AT10250 | S45C | SPCC | Черное оксидное покрытие |
| SN**AT5100 | SN**AT5150 | SN**AT10150 | SN**AT10200 | SN**AT10250 | Никелирование | ||
Шкив ГРМ AT5/AT10


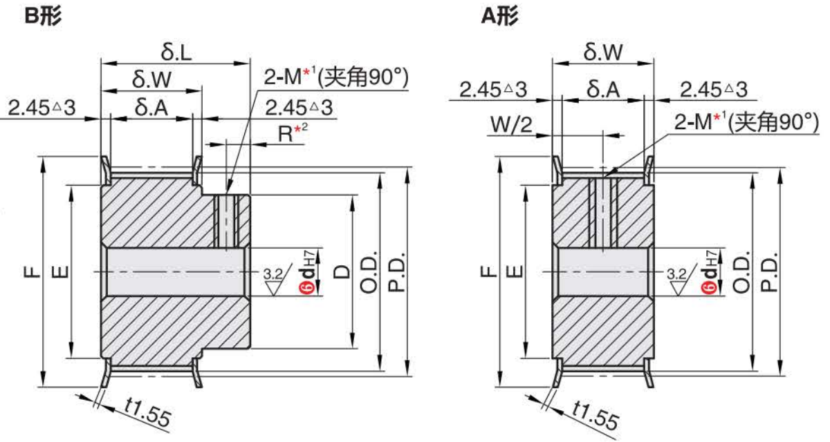
④ Профиль шкива


Размеры канавки зуба немного различаются в зависимости от количества зубьев. Шаг зубьев AT5 (5 мм); Шаг зубьев AT10 (10 мм);
Число после треугольника на рисунке обозначает тип AT10.
Для спецификаций отверстий вала H (круглое отверстие), V, F (ступенчатое отверстие) и Y (ступенчатое отверстие на обоих концах) резьбовые отверстия отсутствуют.
Внутренняя поверхность отверстия вала может не иметь обработки.
AT5: R=4 (количество зубцов 15-16); R=5 (количество зубцов 18-28);
R=6 (количество зубцов 30-60);
AT10: R=8 (количество зубцов 14-48)
* Для шкивов типа A и отверстий вала P или N два резьбовых отверстия расположены примерно под углом 120° или 90° от центра канавки зуба.