Отправить запрос сейчас
Productfeatures:
Облегченная конструкция для энергоэффективности – изготовленные из легких материалов, таких как алюминиевый сплав, эти шкивы обладают низкой инерцией, что снижает энергопотребление.
Сниженные требования к мощности привода – оптимизированная конструкция снижает нагрузку на двигатель, повышая энергоэффективность и снижая эксплуатационные расходы.
Плавная синхронная передача – профиль зубьев точно соответствует синхронному ремню, обеспечивая работу без проскальзывания и стабильное передаточное число.
Бесшумная работа – низкий уровень шума при работе делает эти шкивы подходящими для тихих производственных сред, таких как цеха пищевой промышленности и сборочные цеха электроники.
Экономичность и надежность – эти шкивы, доступные со стандартным шагом зубьев 5 мм и 10 мм, имеют оптимизированный профиль зубьев для стабильного зацепления и разработаны для передачи нагрузки при стандартных условиях крутящего момента.
Шкив синхронизации T5
| Тип | Материал | Обработка поверхности | ||||
| Ширина ремня: 10 мм | Ширина ремня: 15 мм | Ширина ремня: 20 мм | Ширина ремня: 25 мм | Шкив | Фланец | |
| A: 11 W: 16 L: 28 | A: 17 W: 22 L: 34 | A:22 W: 27 L: 39 | A: 27 W: 32 L: 44 | |||
| AW**T5100 | AW**T5150 | AW**T5200 | AW**T5250 | 6061 | 6061 | Натуральное анодирование |
| AB**T5100 | AB**T5150 | AB**T5200 | AB**T5250 | Черное анодирование | ||
| AH**T5100 | AH**T5150 | AH**T5200 | AH**T5250 | Твердое анодирование | ||
| АН**Т5100 | АН**Т5150 | АН**Т5200 | АН**Т5250 | Никелирование | ||
| SF**T5100 | SF**T5150 | SF**T5200 | SF**T5250 | S45C | SPCC | Черное оксидное покрытие |
| SN**T5100 | SN**T5150 | SN**T5200 | SN**T5250 | Никелирование | ||
Шкив синхронизации T10
| Тип | Материал | Обработка поверхности | ||||||
| Ширина ремня: 15 мм | Ширина ремня: 20 мм | Ширина ремня: 25 мм | Ширина ремня: 30 мм | Ширина ремня: 40 мм | Ширина ремня: 50 мм | Шкив | Фланец | |
| A: 17 W: 22 L: 37 | A:22 W: 27 L: 42 | A: 27 W: 32 L: 47(52) | A: 32 W: 37 L: 52(57) | A: 43 W: 48 L: 61(63) | A: 53 W: 58 L: 70 | |||
| AW**T10150 | AW**T10200 | AW**T10250 | AW**T10300 | AW**T10400 | AW**T10500 | 6061 | 6061 | Натуральное анодирование |
| AB**T10150 | AB**T10200 | AB**T10250 | AB**T10300 | AB**T10400 | AB**T10500 | Черное анодирование | ||
| AH**T10150 | AH**T10200 | AH**T10250 | AH**T10300 | AH**T10400 | AH**T10500 | Твердое анодирование | ||
| АН**Т10150 | АН**Т10200 | АН**Т10250 | АН**Т10300 | АН**Т10400 | АН**Т10500 | Никелирование | ||
| SF**T10150 | SF**T10200 | SF**T10250 | SF**T10300 | SF**T10400 | SF**T10500 | S45C | SPCC | Защитная пленка из оксида железа |
| SN**T10150 | SN**T10200 | SN**T10250 | SN**T10300 | SN**T10400 | SN**T10500 | Никелирование | ||
Шкив синхронизации T5

Шкив синхронизации T10

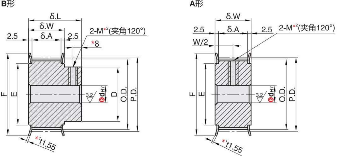
④ Профиль шкива


Размеры зубчатой канавки незначительно различаются в зависимости от количества зубьев. Шаг зубьев (5 мм)
Для отверстий под вал с параметрами H (круглое отверстие), V, F (ступенчатое отверстие) и Y (ступенчатое отверстие на обоих концах) резьбовые отверстия отсутствуют.
Внутренняя поверхность отверстия вала может не подвергаться поверхностной обработке.
* Для шкивов типа А и отверстий для валов с отверстиями типа P или N два резьбовых отверстия расположены приблизительно под углом 120° или 90° к центру канавки зуба.
④ Профиль шкива


Шаг зубьев немного варьируется в зависимости от количества зубьев. Шаг зубьев (10 мм)
Для 34, 50 и 60 зубьев t = 2 (обточенный фланец).
Для отверстий под вал с параметрами H (круглое отверстие), V, F (ступенчатое отверстие) и Y (ступенчатое отверстие на обоих концах) резьбовые отверстия отсутствуют.
Внутренняя поверхность отверстия вала может не подвергаться поверхностной обработке.
Для шкивов T10250 и T10300 с 44–60 зубьями шаг отверстия составляет 11; для шкивов T10400 и T10600 шаг отверстия составляет (LW)/2.
Размеры в скобках внутри обозначения L относятся к шкивам с 44–60 зубьями.
* Для шкивов типа А и отверстий для валов типа П или Н два резьбовых отверстия расположены приблизительно под углом 120° или 90° к центру зазора между зубьями.