Отправить запрос сейчас
Productfeatures:
Высокая крутящая способность – оптимизированный профиль зубьев увеличивает площадь контакта и усилие зацепления, позволяя шкиву выдерживать более высокий крутящий момент без деформации. Повышенная прочность материала и жесткость зубьев делают его пригодным для трансмиссий с большими нагрузками, частых пусков/остановок и работы в условиях сильных ударов.
Оптимизированная структура зубьев – такие особенности, как переходы между корнями зубьев, снижают концентрацию напряжений, увеличивая срок службы при усталостных нагрузках. Спиральные или специально разработанные зубья минимизируют шум и повышают плавность зацепления.
Зубчатые шкивы HTD с изогнутыми зубьями – доступны с шагом 2 мм, 3 мм, 5 мм и 8 мм, эти шкивы обеспечивают высокий крутящий момент для средне- и низкоскоростных приводов большой мощности.
Серия зубчатых криволинейных профилей SM – совместимость с высокими крутящими моментами и высокоскоростными нагрузками.
Серия зубчатых колес PM с изогнутыми зубьями – превосходная адаптивность к поворотам и сверхтихая работа, идеально подходит для высокоскоростной и точной транспортировки.
Шкив синхронизации S2M
| Тип | Материал | Обработка поверхности | |||
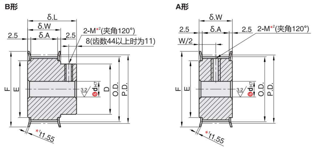
| Ширина ремня: 4 мм | Ширина ремня: 6 мм | Ширина ремня: 10 мм | Шкив | Фланец | |
| A: 5 W: 9 L: 17 | A: 7 W: 11 L: 19 | A:11 W: 15 L: 23 | |||
| AW**S2M040 | AW**S2M060 | AW**S2M100 | 6061 | 6061 | Натуральное анодирование |
| AB**S2M040 | AB**S2M060 | AB**S2M100 | Черное анодирование | ||
| AH**S2M040 | AH**S2M060 | AH**S2M100 | Твердое анодирование | ||
| АН**С2М040 | АН**С2М060 | АН**С2М100 | Никелирование | ||
| SF**S2M040 | SF**S2M060 | SF**S2M100 | S45C | SPCC | Черное оксидное покрытие |
| SN**S2M040 | SN**S2M060 | SN**S2M100 | Никелирование | ||
| СУ**S2M040 | СУ**С2М060 | СУ**С2М100 | SUS303 | - | |
Шкив синхронизации S3M
| Тип | Материал | Обработка поверхности | |||
| Ширина ремня: 6 мм | Ширина ремня: 10 мм | Ширина ремня: 15 мм | Шкив | Фланец | |
| A: 7 W: 11 L: 19 | A: 11 W: 15 L: 23 | A:17 W: 21 L: 29 | |||
| AW**S3M060 | AW**S3M100 | AW**S3M150 | 6061 | 6061 | Натуральное анодирование |
| AB**S3M060 | AB**S3M100 | AB**S3M150 | Черное анодирование | ||
| AH**S3M060 | AH**S3M100 | AH**S3M150 | Твердое анодирование | ||
| АН**С3М060 | АН**С3М100 | АН**С3М150 | Никелирование | ||
| SF**S3M060 | SF**S3M100 | SF**S3M150 | S45C | SPCC | Черное оксидное покрытие |
| SN**S3M060 | SN**S3M100 | SN**S3M150 | Никелирование | ||
| СУ**С3М060 | СУ**С3М100 | СУ**С3М150 | SUS303 | - | |
Шкив синхронизации S5M
| Тип | Материал | Обработка поверхности | |||
| Ширина ремня: 10 мм | Ширина ремня: 15 мм | Ширина ремня: 25 мм | Шкив | Фланец | |
| A: 11 W: 16 L: 28 | A: 17 W: 22 L: 34 | A:27 W: 32 L: 44 | |||
| AW**S5M100 | AW**S5M150 | AW**S5M250 | 6061 | 6061 | Натуральное анодирование |
| AB**S5M100 | AB**S5M150 | AB**S5M250 | Черное анодирование | ||
| AH**S5M100 | AH**S5M150 | AH**S5M250 | Твердое анодирование | ||
| АН**С5М100 | АН**С5М150 | АН**С5М250 | Никелирование | ||
| SF**S5M100 | SF**S5M150 | SF**S5M250 | S45C | SPCC | Черное оксидное покрытие |
| SN**S5M100 | SN**S5M150 | SN**S5M250 | Никелирование | ||
| СУ**С5М100 | СУ**С5М150 | - | SUS303 | - | |
Шкив синхронизации S8M
| Тип | Материал | Обработка поверхности | ||||
| Ширина ремня: 15 мм | Ширина ремня: 25 мм | Ширина ремня: 30 мм | Ширина ремня: 40 мм | Шкив | Фланец | |
| A: 17 W: 22 L: 37(42) | A: 28 W: 33 L: 48(53) | A:33 W: 38 L: 53(58) | A: 44 W: 49 L: 64(69) | |||
| AW**S8M150 | AW**S8M250 | AW**S8M300 | AW**S8M400 | 6061 | 6061 | Натуральное анодирование |
| AB**S8M150 | AB**S8M250 | AB**S8M300 | AB**S8M400 | Черное анодирование | ||
| AH**S8M150 | AH**S8M250 | AH**S8M300 | AH**S8M400 | Твердое анодирование | ||
| АН**С8М150 | АН**С8М250 | АН**С8М300 | АН**С8М400 | Никелирование | ||
| SF**S8M150 | SF**S8M250 | SF**S8M300 | SF**S8M400 | S45C | SPCC | Черное оксидное покрытие |
| SN**S8M150 | SN**S8M250 | SN**S8M300 | SN**S8M400 | Никелирование | ||
Шкив синхронизации HTD3M
| Тип | Материал | Обработка поверхности | |||
| Ширина ремня: 6 мм | Ширина ремня: 10 мм | Ширина ремня: 15 мм | Шкив | Фланец | |
| A: 7 W: 11 L: 19 | A:11 W: 15 L: 23 | A:17 W: 21 L: 29 | |||
| AW--3M060 | AW--3M100 | AW--3M150 | 6061 | 6061 | Натуральное анодирование |
| AB--3M060 | AB--3M100 | AB--3M150 | Черное анодирование | ||
| AH--3M060 | AH--3M100 | AH--3M150 | Твердое анодирование | ||
| АН--3М060 | АН--3М100 | АН--3М150 | Никелирование | ||
| SF--3M060 | SF--3M100 | SF--3M150 | S45C | SPCC | Черное оксидное покрытие |
| SN--3M060 | SN--3M100 | SN--3M150 | Никелирование | ||
| СУ--3М060 | СУ-3М100 | СУ-3М150 | SUS303 | - | |
Шкив синхронизации HTD5M
| Тип | Материал | Обработка поверхности | |||
| Ширина ремня: 10 мм | Ширина ремня: 15 мм | Ширина ремня: 25 мм | Шкив | Фланец | |
| A: 11 W: 16 L: 28 | A: 17 W: 22 L: 34 | A:27 W: 32 L: 44 | |||
| AW--5M100 | AW--5M150 | AW--5M250 | 6061 | 6061 | Натуральное анодирование |
| AB--5M100 | AB--5M150 | AB--5M250 | Черное анодирование | ||
| AH--5M100 | AH--5M150 | AH--5M250 | Твердое анодирование | ||
| АН--5М100 | АН--5М150 | АН--5М250 | Никелирование | ||
| SF--5M100 | SF--5M150 | SF--5M250 | S45C | SPCC | Черное оксидное покрытие |
| SN--5M100 | SN--5M150 | SN--5M250 | Никелирование | ||
| СУ-5М100 | СУ-5М150 | - | SUS303 | - | |
Шкив синхронизации HTD8M
| Тип | Материал | Обработка поверхности | ||||
| Ширина ремня: 15 мм | Ширина ремня: 25 мм | Ширина ремня: 30 мм | Ширина ремня: 40 мм | Шкив | Фланец | |
| A: 17 W: 22 L: 37(42) | A: 28 W: 33 L: 48(53) | A:33 W: 38 L: 53(58) | A: 44 W: 49 L: 64(69) | |||
| AW--8M150 | AW--8M250 | AW--8M300 | AW-8M400 | 6061 | 6061 | Натуральное анодирование |
| AB--8M150 | AB--8M250 | AB--8M300 | AB--8M400 | Черное анодирование | ||
| AH--8M150 | AH--8M250 | AH--8M300 | AH--8M400 | Твердое анодирование | ||
| АН--8М150 | АН--8М250 | АН--8М300 | АН-8М400 | Никелирование | ||
| SF--8M150 | SF--8M250 | SF--8M300 | SF--8M400 | S45C | SPCC | Черное оксидное покрытие |
| SN--8M150 | SN--8M250 | SN--8M300 | SN--8M400 | Никелирование | ||
Шкив синхронизации P2M
| Тип | Материал | Обработка поверхности | |
| Ширина ремня: 6 мм | Шкив | Фланец | |
| A: 7,5 W: 11,5 L: 20 | |||
| AW**P2M060 | 6061 | 6061 | Натуральное анодирование |
| SF**P2M060 | Эквивалент S45C | SPCC | Черное оксидное покрытие |
| SN**P2M060 | Никелирование | ||
Шкив синхронизации P3M
| Тип | Материал | Обработка поверхности | ||
| Ширина ремня: 10 мм | Ширина ремня: 15 мм | Шкив | Фланец | |
| A: 12 W: 16 L: 23 (Когда количество зубов меньше 20, A = 11) | A: 17 W: 21 L: 29 | |||
| AW**P3M100 | AW**P3M150 | 6061 | 6061 | Натуральное анодирование |
| SF**P3M100 | SF**P3M150 | Эквивалент S45C | SPCC | Черное оксидное покрытие |
| SN**P3M100 | SN**P3M150 | Никелирование | ||
Шкив синхронизации P5M
| Тип | Материал | Обработка поверхности | ||
| Ширина ремня: 10 мм | Ширина ремня: 15 мм | Шкив | Фланец | |
| A: 11,6 W: 16 L: 28 | A: 16,6 W: 21 L: 33 | |||
| AW**P5M100 | AW**P5M150 | 6061 | 6061 | Натуральное анодирование |
| AB**P5M100 | AB**P5M150 | Черное анодирование | ||
| AH**P5M100 | AH**P5M150 | Твердое анодирование | ||
| АН**П5М100 | АН**П5М150 | Никелирование | ||
| SF**P5M100 | SF**P5M150 | Эквивалент S45C | SPCC | Черное оксидное покрытие |
| SN**P5M100 | SN**P5M150 | Никелирование | ||
Шкив синхронизации P8M
| Тип | Материал | Обработка поверхности | ||
| Ширина ремня: 15 мм | Ширина ремня: 25 мм | Шкив | Фланец | |
| A: 16,8 W: 22 L: 39 (44) | A: 27,8 W: 33 L: 50 (55) | |||
| AW**P8M150 | AW**P8M250 | 6061 | 6061 | Натуральное анодирование |
| AH**P8M150 | AH**P8M250 | Твердое анодирование | ||
| АН**П8М150 | АН**П8М250 | Никелирование | ||
| SF**P8M150 | SF**P8M250 | Эквивалент S45C | SPCC | Черное оксидное покрытие |
| SN**P8M150 | SN**P8M250 | Никелирование | ||
Шкив синхронизации S2M

Шкив синхронизации S3M

Шкив синхронизации S5M

Шкив синхронизации S8M

Шкив синхронизации HTD3M

Шкив синхронизации HTD5M

Шкив синхронизации HTD8M

Шкив синхронизации P2M

Шкив синхронизации P3M

Шкив синхронизации P5M

Шкив синхронизации P8M

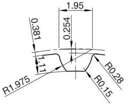
④ Профиль шкива


Размеры зубчатой канавки незначительно различаются в зависимости от количества зубьев. Шаг зубьев (2 мм)
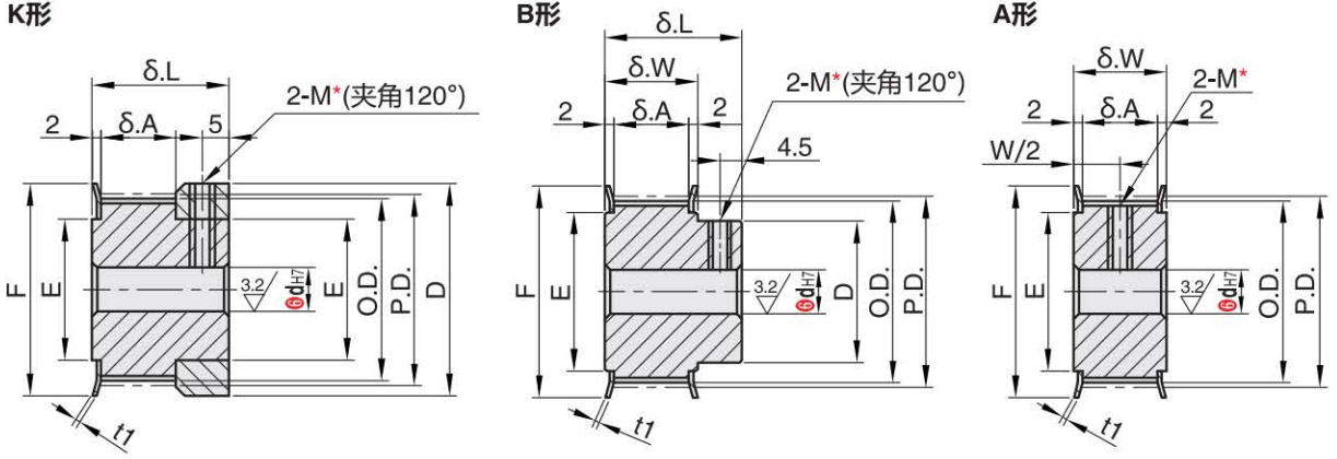
Для отверстий под вал с параметрами H (круглое отверстие), V, F (ступенчатое отверстие) и Y (ступенчатое отверстие на обоих концах) резьбовые отверстия отсутствуют.
Внутренняя поверхность отверстия вала может не подвергаться поверхностной обработке.
* Для шкивов типа А и отверстий для валов с маркировкой P или N два резьбовых отверстия расположены приблизительно под углом 120° или 90° к центру канавки зуба.
④ Профиль шкива


Размеры зубчатой канавки незначительно различаются в зависимости от количества зубьев. Шаг зубьев (3 мм)
Для отверстий под вал с параметрами H (круглое отверстие), V, F (ступенчатое отверстие) и Y (ступенчатое отверстие на обоих концах) резьбовые отверстия отсутствуют.
Внутренняя поверхность отверстия вала может не подвергаться поверхностной обработке.
* Для шкивов типа А и отверстий для валов с углами P или N два резьбовых отверстия расположены приблизительно под углом 120° или 90° к центру канавки зуба.
④ Профиль шкива


Размеры зубчатой канавки незначительно различаются в зависимости от количества зубьев. Шаг зубьев (5 мм)
Для отверстий под вал с параметрами H (круглое отверстие), V, F (ступенчатое отверстие) и Y (ступенчатое отверстие на обоих концах) резьбовые отверстия отсутствуют.
Внутренняя поверхность отверстия вала может не подвергаться поверхностной обработке.
* Для шкивов типа А и отверстий для валов с отверстиями типа P или N два резьбовых отверстия расположены приблизительно под углом 120° или 90° к центру канавки зуба.
④ Профиль шкива


Размеры зубчатой канавки немного различаются в зависимости от количества зубьев. Шаг зубьев (8 мм)
Для 72 зубьев t = 2 (обточенный фланец)
Для отверстий под вал с параметрами H (круглое отверстие), V, F (ступенчатое отверстие) и Y (ступенчатое отверстие на обоих концах) резьбовые отверстия отсутствуют.
Внутренняя поверхность отверстия вала может не подвергаться поверхностной обработке.
* Для шкивов типа А и отверстий для валов с углами P или N два резьбовых отверстия расположены приблизительно под углом 120° или 90° к центру канавки зуба.
④Профиль шкива


Размеры зубчатой канавки незначительно различаются в зависимости от количества зубьев. Шаг зубьев (3 мм)
Для отверстий под вал с параметрами H (круглое отверстие), V, F (ступенчатое отверстие) и Y (ступенчатое отверстие на обоих концах) резьбовые отверстия отсутствуют.
Внутренняя поверхность отверстия вала может не подвергаться поверхностной обработке.
* Для шкивов типа А и отверстий для валов с углами P или N два резьбовых отверстия расположены приблизительно под углом 120° или 90° к центру канавки зуба.
Шкив синхронизации HTD5M
④ Профиль шкива


Размеры зубчатой канавки незначительно различаются в зависимости от количества зубьев. Шаг зубьев (5 мм)
Для отверстий под вал с параметрами H (круглое отверстие), V, F (ступенчатое отверстие) и Y (ступенчатое отверстие на обоих концах) резьбовые отверстия отсутствуют.
Внутренняя поверхность отверстия вала может не подвергаться поверхностной обработке.
* Для шкивов типа А и отверстий для валов с углами P или N два резьбовых отверстия расположены приблизительно под углом 120° или 90° к центру канавки зуба.
④ Профиль шкива


Размеры бороздки между зубьями незначительно различаются в зависимости от количества зубьев.
Шаг зубьев (8 мм)
Для отверстий под вал с параметрами H (круглое отверстие), V, F (ступенчатое отверстие) и Y (ступенчатое отверстие на обоих концах) резьбовые отверстия отсутствуют.
Внутренняя поверхность отверстия вала может не подвергаться поверхностной обработке.
* Для шкивов типа А и отверстий для валов с маркировкой P или N два резьбовых отверстия расположены приблизительно под углом 120° или 90° к центру канавки зуба.
④ Профиль шкива

Размеры бороздки между зубами незначительно различаются (2 мм) в зависимости от количества зубьев.
Для отверстий под вал типов H (круглое отверстие) и V (ступенчатое отверстие) резьбовые отверстия отсутствуют. Некоторые размеры могут иметь резьбовые отверстия для снятия резьбы.
Внутренняя поверхность отверстия вала может не подвергаться поверхностной обработке.
* Для шкивов с отверстиями для вала типа А и отверстиями для P/N два резьбовых отверстия расположены приблизительно под углом 120° или 90° к центру канавки зуба.
④ Профиль шкива


Размеры бороздки между зубами незначительно различаются (3 мм) в зависимости от количества зубьев.
Для отверстий под вал типов H (круглое отверстие) и V (ступенчатое отверстие) резьбовые отверстия отсутствуют. Некоторые размеры могут иметь резьбовые отверстия для снятия резьбы.
Внутренняя поверхность отверстия вала может не подвергаться поверхностной обработке.
* Для шкивов с отверстиями для вала типа А и отверстиями для P/N два резьбовых отверстия расположены приблизительно под углом 120° или 90° к центру канавки зуба.
④ Профиль шкива


В размерах отверстий для валов H (круглое отверстие), V, F (ступенчатое отверстие) и Y (ступенчатое отверстие на обоих концах) резьбовые отверстия отсутствуют. В некоторых размерах может быть предусмотрена зазор для резьбового отверстия.
Внутренняя поверхность отверстия вала может не подвергаться поверхностной обработке.
* Для шкивов типа А и отверстий для валов типа P или N два резьбовых отверстия должны располагаться приблизительно под углом 120° или 90° к центру канавки зуба.
④ Профиль шкива


В размерах отверстий для валов H (круглое отверстие), V, F (ступенчатое отверстие) и Y (ступенчатое отверстие на обоих концах) резьбовые отверстия отсутствуют. В некоторых размерах может быть предусмотрена зазор для резьбового отверстия.
Внутренняя поверхность отверстия вала может не подвергаться поверхностной обработке.
* Для шкивов типа А и отверстий для валов типа P или N два резьбовых отверстия должны располагаться приблизительно под углом 120° или 90° к центру канавки зуба.